欢迎来到安平县达可威金属丝网制品有限公司!

他们也在搜: 钛网 钛丝网 钛滤芯 纯钛丝

您当前的位置:首页 > 产品中心

DaKeWeiproduct classification

产品分类

安平县达可威金属丝网制品有限公司

联系人:赵经理

手机/微信:155 3318 6683

电话:0318-7965 701

电话:0318-7965 702

传真:0318-7965 703

邮箱:dakewei2012@163.com

QQ:1330318130

地址:河北省衡水市安平县唐贝丝网产业园区工业路二号


钛滤芯

  • 产品详情

咨询及订购热线

15533186683

纯钛丝规格

1. 直径:0.1mm-1mm

2. 表面:黑皮(带有拉丝石墨乳涂层)

3. 状态:退火软态、高弹性高抗拉强度硬态

4. 钛丝实体生产工厂可提供的材料牌号:TA1/TA2/TC4/TA10

5. 国标牌号:TA1/TA2 执行标准:GB/T3623-2007钛及钛合金丝标准

6. 美标牌号:GR1/GR2 执行标准:ASTM B863   钛及钛合金线标准规范

纯钛丝化学成分参照表

 

纯钛丝性能介绍

1. 纯钛丝抗腐蚀性

纯钛丝是使用海绵钛制造的钛锭经过旋锻、热拉拔、冷拉拔制造的金属线材,继承了纯钛的物理及化学性能。纯钛丝具有耐腐蚀性:在许多溶液介质中很稳定对于氧化性、中性、弱还原性溶液中具有很强的抗腐蚀性,这是因为钛丝很容易与氧气反应,在表面生成附着力强、致密、惰性大的氧化层,防止溶液对纯钛丝的进一步腐蚀,所以说纯钛丝的抗腐蚀性是一种氧化钝化反应,利用这一特性在电镀行业钛丝被用来制造钛挂具。

2. 纯钛丝生物相容性

无毒无磁性也是纯钛丝的一大特点,并且与人体有很好的生物相容性,排斥反应小所以广泛被应用于医用行业。

3. 纯钛丝重量轻强度高

纯钛丝比重是4.51g/㎝³,重量约是钢铁的一半但是比强度高于其他金属。

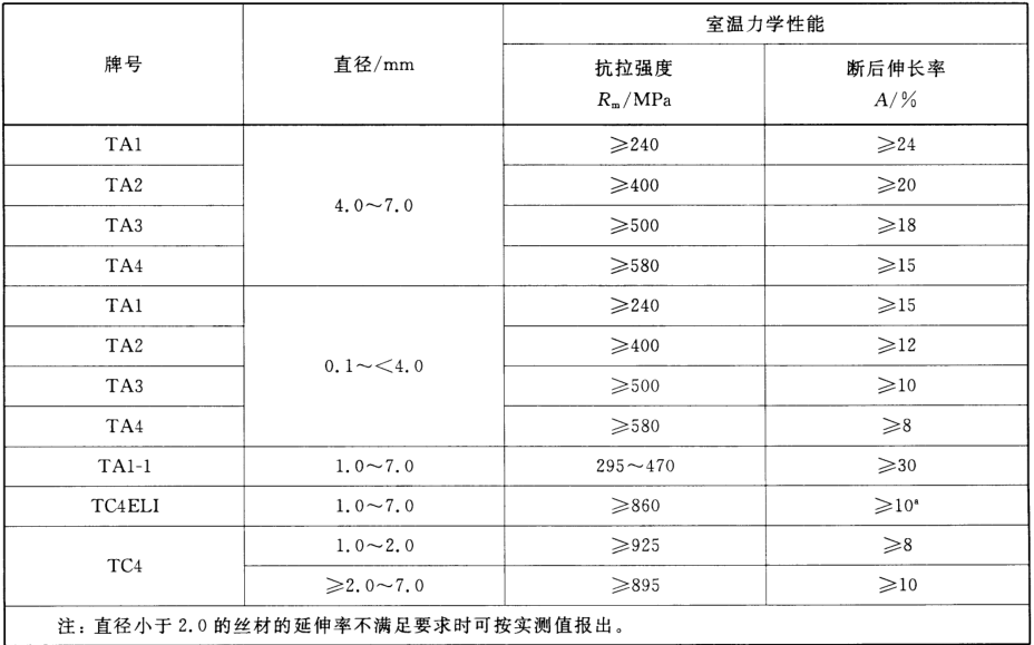
纯钛丝物理性能参照表

 

达可威金属丝网实体生产钛丝及钛合金丝,在华北地区设有拉拔生产线,精细加工制造0.1-1mm纯钛丝成品。随着中国社会经济基础建设不断发展的同时,带动了钛丝应用量的提高,达可威金属丝网制造的纯钛丝应用于钛丝网编织、发热钛丝、化工钛设备塔钛破沫网编织、60目钛填料编织、电解槽钛阳极网制造行业。


上一篇:钛丝网      下一篇:纯钛丝